Skip to content
CNC Systems
Quercus
Optima
CNC for lathes
CNC for milling machines
Cutting
CNC for other applications
Feedback systems
For Machine Tools
For other industries
Services
Technical Services
Service contract and warranty extensions
Product registration
Training
Fagor Digital Suite
Downloads
Corporate
Location
R&D+i Projects
Quality
General terms and conditions of purchase
Safe Operation and Export
News
Fairs
Magazine old
Private area
My account
Menu
Menu
CNC Systems
Feedback systems
Smart Encoder Systems
Services
Fagor Digital Suite
Downloads
Corporate
News
›
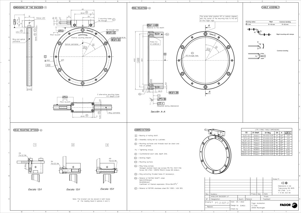
UT 2D MECHANICAL DATA SHEET
UT 2D MECHANICAL DATA SHEET
Accept
Reject